產品

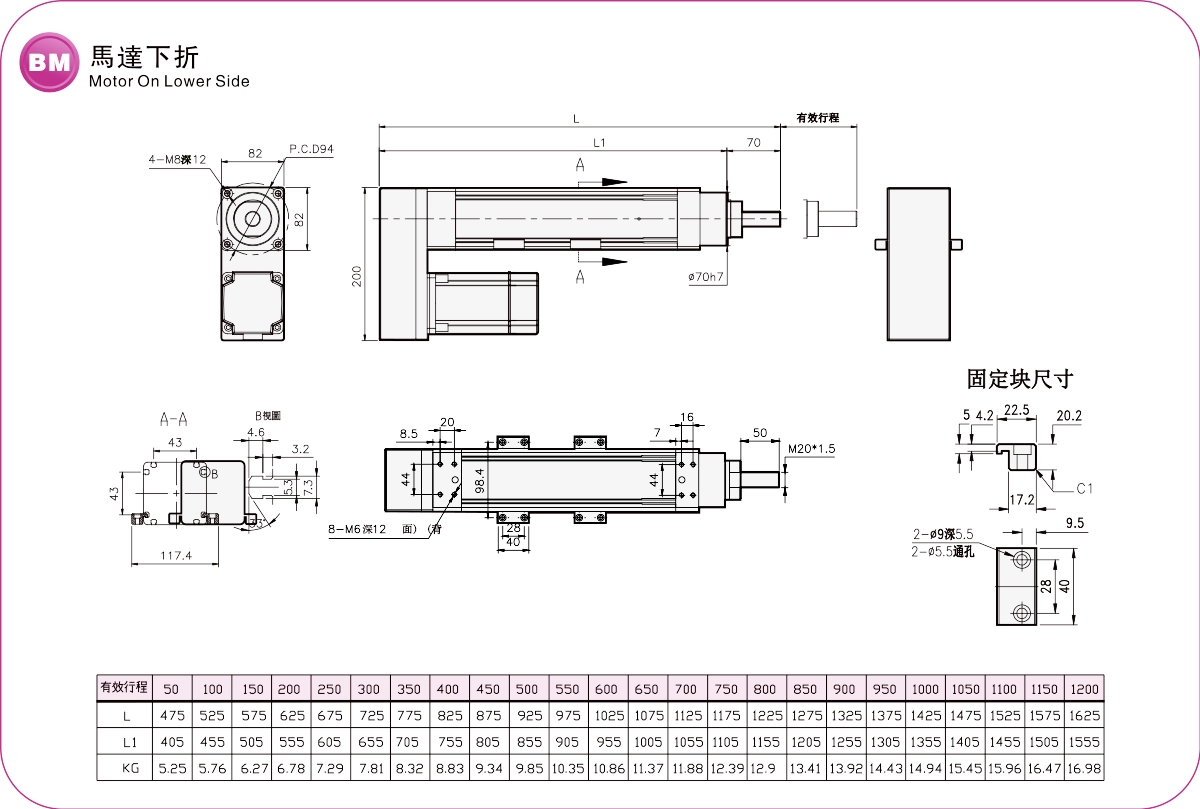
重複精度:±0.01mm
水平載重:200公斤
垂直載重:65公斤
最高速度:1250毫米/秒
行程範圍:50-1200毫米
將馬達加速和減速時間設定為0.2秒。
標準規範不適用於倒置式起重機。如有任何要求,請致電或線上留言與我們聯繫。
配送時間:7-10天




| 規格 | 重複性(毫米) | ±0.01 | |||
| 鉛(毫米) | 5 | 10 | 25 | ||
| 最大速度(毫米/秒) | 250 | 500 | 1250 | ||
| 最大有效載荷 | 水平方向(公斤) | 200 | 180 | 138 | |
| 垂直(公斤) | 65 | 55 | 25 | ||
| 額定推力(牛頓) | 2520 | 1260 | 504 | ||
| 槳距(毫米) | 50-1200mm/50節距 | ||||
| 交流伺服馬達輸出功率(瓦) | 750瓦 | ||||
| 部分 | 滾珠螺桿直徑(毫米) | C7Ø25 | |||
| 耦合(毫米) | 17X19 | ||||
| 家庭感應器 | 外部 | CS-6T | |||


| 使用地點 | 驅動模式 | 型號規格 | 馬達輸出功率(瓦) | 寬度(毫米) | 重複性(毫米) | 滾珠螺桿規格 | 最大有效載荷(公斤) | 最高速度 (毫米/秒)*1 | ||
|---|---|---|---|---|---|---|---|---|---|---|
| 外徑(毫米) | 鉛(毫米) | 水平的 | 垂直的 | |||||||
| 標準環境 | 滾珠螺桿 | EC 50 | 100瓦 | 52 | ±0.01 | 12 | 5 | 30 | 12 | 250 |
| 10 | 15 | 5 | 500 | |||||||
| EC 50公升 | 100瓦 | 52 | ±0.01 | 12 | 5 | 50 | 15 | 250 | ||
| 10 | 30 | 8 | 500 | |||||||
| EC 50T | 100瓦 | 52 | ±0.01 | 12 | 5 | 50 | 15 | 250 | ||
| 10 | 30 | 8 | 500 | |||||||
| EC 65 | 400瓦 | 65 | ±0.01 | 16 | 5 | 110 | 33 | 250 | ||
| 10 | 88 | 22 | 500 | |||||||
| 16 | 48 | 10 | 800 | |||||||
| 20 | 40 | 8 | 100 | |||||||
| EC 65L | 400瓦 | 65 | ±0.01 | 16 | 5 | 110 | 33 | 250 | ||
| 10 | 88 | 22 | 500 | |||||||
| 16 | 48 | 10 | 800 | |||||||
| 20 | 40 | 8 | 100 | |||||||
| EC 65T | 400瓦 | 65 | ±0.01 | 16 | 5 | 110 | 33 | 250 | ||
| 10 | 88 | 22 | 500 | |||||||
| 16 | 48 | 10 | 800 | |||||||
| 20 | 40 | 8 | 100 | |||||||
| EC 80 | 700瓦 | 80 | ±0.01 | 25 | 5 | 200 | 65 | 250 | ||
| 10 | 180 | 55 | 500 | |||||||
| 25 | 138 | 25 | 1000 | |||||||
| EC 80T | 700瓦 | 80 | ±0.01 | 25 | 5 | 200 | 65 | 250 | ||
| 10 | 180 | 55 | 500 | |||||||
| 25 | 138 | 25 | 1000 | |||||||






