產品

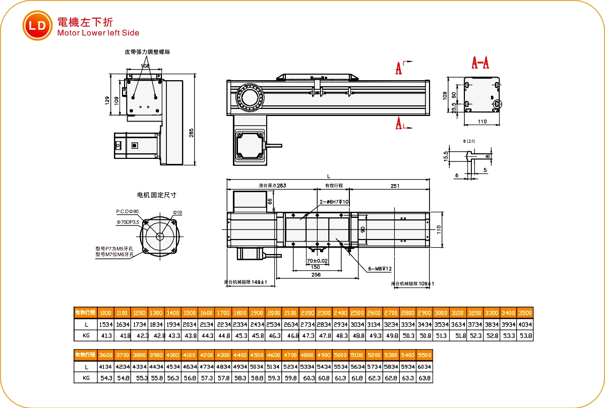
重複精度:±0.1mm
水平載重:200公斤
導線長度:280毫米
最高速度:1400毫米/秒
衝程螺距:100-5500毫米
將馬達加速和減速時間設定為0.2秒。
標準規範不適用於倒置式起重機。如有任何要求,請致電或線上留言與我們聯繫。
配送時間:7-10天





| 規格 | 重複性(毫米) | ±0.1 | ||||||
| 鉛(毫米) | 200 | |||||||
| 還原速率 | 10:1 | 15:1 | 20:1 | |||||
| 最大速度(毫米/秒) | 1400 | 933 | 700 | |||||
| 最大有效載荷 | 水平方向(公斤) | 100 | 150 | 200 | ||||
| 垂直(公斤) | 23 | 36 | 50 | |||||
| 額定推力(牛頓) | 517 | 774 | 1034 | |||||
| 槳距(毫米) | 100-5500毫米/100毫米間距 | |||||||
| 部分 | 交流伺服馬達功率(瓦) | 750瓦 | ||||||
| 球體寬度(毫米) | 50 | |||||||
| 高剛性直線導軌(毫米) | W23XH19 | |||||||
| 家庭感應器 | 外部 | EE-SX672(NPN) | ||||||


| 水平安裝 | 一個 | B | C | |
| 10∶1 | 60公斤 | 1110 | 195 | 25 |
| 80公斤 | 750 | 126 | 16 | |
| 100公斤 | 550 | 85 | 11 | |
| 15∶1 | 90公斤 | 1400 | 160 | 20 |
| 120公斤 | 940 | 100 | 13 | |
| 150公斤 | 650 | 63 | 8 | |
| 20∶1 | 120公斤 | 1400 | 115 | 15 |
| 160公斤 | 900 | 65 | 8 | |
| 200公斤 | 550 | 35 | 5 | |

| 牆面安裝 | 一個 | B | C | |
| 10∶1 | 60公斤 | 25 | 195 | 1110 |
| 80公斤 | 16 | 126 | 750 | |
| 100公斤 | 11 | 85 | 550 | |
| 15∶1 | 90公斤 | 20 | 160 | 1400 |
| 120公斤 | 13 | 100 | 940 | |
| 150公斤 | 8 | 63 | 650 | |
| 20∶1 | 120公斤 | 15 | 115 | 1400 |
| 160公斤 | 8 | 65 | 900 | |
| 200公斤 | 5 | 35 | 550 | |

| 垂直安裝 | 一個 | C | |
| 10∶1 | 12公斤 | 1300 | 1300 |
| 18公斤 | 870 | 870 | |
| 23公斤 | 680 | 680 | |
| 15∶1 | 14公斤 | 1480 | 1480 |
| 25公斤 | 830 | 830 | |
| 36公斤 | 575 | 575 | |
| 20∶1 | 30公斤 | 750 | 750 |
| 40公斤 | 560 | 560 | |
| 50公斤 | 450 | 450 | |

| 我的 | 1479.3 |
| 議員 | 1479.3 |
| 先生 | 189.7 |
| 使用地點 | 驅動模式 | 型號規格 | 減速器機構 | 馬達輸出 (w) | 寬度(毫米) | 重複性 (毫米) | 皮帶規格 | 最大有效載荷(公斤) | 最高速度 (毫米/秒)*1 | ||
|---|---|---|---|---|---|---|---|---|---|---|---|
| 皮帶寬度(毫米) | 鉛(毫米) | 水平的 | 垂直的 | ||||||||
| 標準 | 正時皮帶 | MKR40 | 是的 | 100瓦 | 40 | ±0.1 | 15 | 90 | 8 | 2 | 4500 |
| MKR65 | 是的 | 400瓦 | 65 | ±0.1 | 30 | 130 | 60 | 17 | 5000 | ||
| MKR80 | 是的 | 750瓦 | 80 | ±0.1 | 35 | 200 | 100 | 24 | 5000 | ||
| MKR110 | 是的 | 750瓦/1000 | 110 | ±0.1 | 50 | 280 | 200 | 50 | 5000 | ||
| OBB65 | 是的 | 400瓦 | 65 | ±0.1 | 30 | 110 | 25 | 6 | 5000 | ||









