產品

重複精度:±0.01mm
水平載重:150公斤
垂直載重:55公斤
最高速度:2000毫米/秒
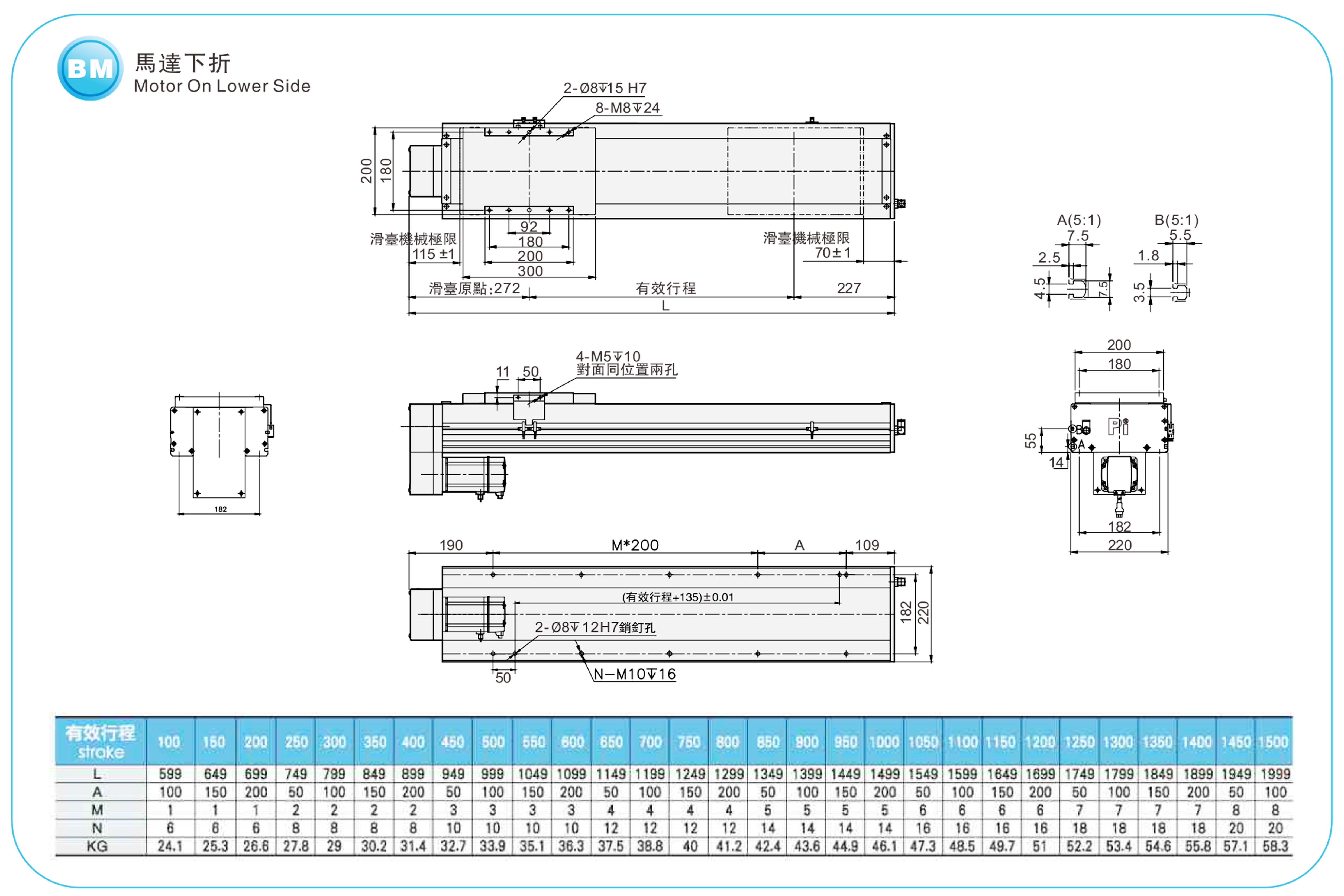
衝程螺距:100-1500毫米
將馬達加速和減速時間設定為0.2秒。
標準規範不適用於倒置式起重機。如有任何要求,請致電或線上留言與我們聯繫。
配送時間:7-10天






| 規格 | 重複性(毫米) | ±0.01 | ||||
| 滾珠螺桿導程(毫米) | 5 | 10 | 20 | 40 | ||
| 最大速度(毫米/秒) | 250 | 500 | 1000 | 2000 | ||
| 最大有效載荷 | 水平方向(公斤) | 150 | 150 | 105 | 40 | |
| 垂直(公斤) | 55 | 45 | 20 | 12 | ||
| 額定推力(牛頓) | 2565 | 1281 | 640 | 320 | ||
| 槳距(毫米) | 100-1500毫米/50毫米間距 | |||||
| 部分 | 交流伺服馬達功率(瓦) | 750瓦 | ||||
| 滾珠螺桿直徑(毫米) | C7Ø25 | |||||
| 高剛性直線導軌(毫米) | 寬23英寸 x 高18英寸 | |||||
| 耦合(毫米) | 17X19 | |||||
| 家庭感應器 | 外部 | EE-SX672(NPN) | ||||
| 內建 | EE-SX674(NPN) | |||||


| 水平安裝 | 一個 | B | C | |
| Lead5 | 100公斤 | 5000 | 633 | 557 |
| 125公斤 | 3880 | 491 | 431 | |
| 150公斤 | 3357 | 396 | 347 | |
| Lead10 | 100公斤 | 3220 | 563 | 474 |
| 125公斤 | 2554 | 434 | 367 | |
| 150公斤 | 2113 | 349 | 295 | |
| Lead25 | 65公斤 | 1522 | 614 | 458 |
| 85公斤 | 1136 | 451 | 336 | |
| 105公斤 | 893 | 350 | 262 | |
| 鉛40 | 18公斤 | 2445 | 1616 | 1052 |
| 30公斤 | 1436 | 938 | 613 | |
| 40公斤 | 978 | 630 | 412 | |

| 牆面安裝 | 一個 | B | C | |
| Lead5 | 110公斤 | 500 | 569 | 4500 |
| 130公斤 | 412 | 469 | 3711 | |
| 150公斤 | 347 | 396 | 3357 | |
| Lead10 | 110公斤 | 427 | 503 | 2900 |
| 130公斤 | 351 | 414 | 2444 | |
| 150公斤 | 295 | 349 | 2113 | |
| Lead25 | 70公斤 | 420 | 564 | 1404 |
| 90公斤 | 315 | 420 | 1066 | |
| 105公斤 | 262 | 350 | 893 | |
| 鉛40 | 15公斤 | 1272 | 1955 | 2948 |
| 24公斤 | 778 | 1190 | 1813 | |
| 43公斤 | 412 | 630 | 978 | |

| 垂直安裝 | 一個 | C | |
| Lead5 | 30公斤 | 2355 | 2355 |
| 40公斤 | 1768 | 1768 | |
| 55公斤 | 1288 | 1288 | |
| Lead10 | 25公斤 | 2505 | 2505 |
| 35公斤 | 1795 | 1795 | |
| 45公斤 | 1396 | 1396 | |
| Lead25 | 15公斤 | 2711 | 2711 |
| 20公斤 | 2033 | 2033 | |
| 20公斤 | 2033 | 2033 | |
| 鉛40 | 7公斤 | 3511 | 3511 |
| 12公斤 | 2055 | 2055 | |
| 12公斤 | 2055 | 2055 | |

| 我的 | 2052 |
| 議員 | 2052 |
| 先生 | 1810 |
| 使用地點 | 驅動模式 | 型號規格 | 馬達輸出 (w) | 寬度(毫米) | 重複性 (毫米) | 滾珠螺桿規格 | 最大有效載荷(公斤) | 最高速度 (毫米/秒)*1 | ||
|---|---|---|---|---|---|---|---|---|---|---|
| 外徑(毫米) | 鉛(毫米) | 水平的 | 垂直的 | |||||||
| 標準環境 | 滾珠螺桿 | RMD12 | 100瓦 | 102 | ±0.01 | 16 | 5 | 50 | 12 | 250 |
| 10 | 30 | 8 | 500 | |||||||
| 20 | 18 | 3 | 1000 | |||||||
| 32 | 5 | - | 1600 | |||||||
| 200瓦 | 102 | ±0.01 | 16 | 5 | 50 | 12 | 250 | |||
| 10 | 30 | 8 | 500 | |||||||
| 20 | 18 | 3 | 1000 | |||||||
| 32 | 5 | - | 1600 | |||||||
| RMD14 | 200瓦 | 135 | ±0.01 | 16 | 5 | 95 | 27 | 250 | ||
| 10 | 75 | 18 | 500 | |||||||
| 20 | 35 | 7 | 1000 | |||||||
| 32 | 15 | - | 1600 | |||||||
| 400瓦 | 135 | ±0.01 | 16 | 5 | 110 | 33 | 250 | |||
| 10 | 88 | 22 | 500 | |||||||
| 20 | 40 | 10 | 1000 | |||||||
| 32 | 30 | 8 | 1600 | |||||||
| RMD17 | 400瓦 | 170 | ±0.01 | 20 | 5 | 120 | 40 | 250 | ||
| 10 | 110 | 30 | 500 | |||||||
| 20 | 75 | 14 | 1000 | |||||||
| 40 | 22 | 7 | 2000 | |||||||
| 750瓦 | 170 | ±0.01 | 20 | 5 | 120 | 50 | 250 | |||
| 10 | 120 | 40 | 500 | |||||||
| 20 | 83 | 25 | 1000 | |||||||
| 40 | 43 | 12 | 2000 | |||||||
| RMD22 | 750瓦 | 220 | ±0.01 | 25 | 5 | 150 | 55 | 250 | ||
| 10 | 150 | 45 | 500 | |||||||
| 25 | 105 | 20 | 1250 | |||||||
| 20 | 40 | 43 | 12 | 2000 | ||||||
| RMD28 | 1500瓦 | 280 | ±0.01 | 32 | 10 | 320 | 150 | 500 | ||
| 20 | 180 | 75 | 1000 | |||||||
| 32 | 75 | 35 | 1600 | |||||||
* 最高速度取決於伺服馬達的最大轉速(3000 rpm)。最高速度取決於步進馬達的最大轉速(500 rpm)。






